中文
|
English
|
日本語
选择产品分类
RIKEN理研油缸
酸素检知器
卡尺
PH测试仪
硬度计
精密机床
噪音计
显微镜
东日工具
振动计
射线检测仪
恒温器
投影仪
水质计
中村工具
气动卡盘
千分尺
RIKEN理研油泵
油压卡盘
理研液压阀
千分表
100MPa系列
精密配件
200MPa系列
高度尺
工装治具
佐藤真空
推拉力计
300MPa系列
粗糙度仪
卡盘夹头
深度尺
理研水压系列
量规
轮廓测量仪
加工刀具
圆度测量仪
液压用零配件
三坐标测量仪
硬度块
马达主轴
数据输入
首页
公司介绍
产品中心
品牌导航
技术服务
联系我们
产品分类
机床及附件
精密机床
气动卡盘
油压卡盘
工装治具
卡盘夹头
加工刀具
马达主轴
精密测量
卡尺
千分尺
千分表
高度尺
深度尺
量规
硬度块
数据输入
五金工具
东日工具
中村工具
精密配件
佐藤真空
推拉力计
试验设备
硬度计
粗糙度仪
轮廓测量仪
圆度测量仪
三坐标测量仪
光学仪器
投影仪
显微镜
产品中心
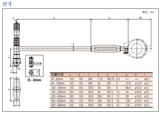
产品名称 :
【三丰】内径表 (带有微分头)
产品型号:
511-343
详细说明
资料下载:
内径表 (带有微分头).pdf
[
打印
] [
返回
]
友情链接
更多链接
世田谷精机
|
理研精机
|
北川
|
三丰公司
|
NABEYA
|
山本科学
|
仲井精机
|
东日制作所
|
艾森
|
得乐
|
NBK
|
帮助中心 | 隐私条款 | 关于我们
版权所有: 深圳优太科机电设备有限公司 地址:深圳市南山区蛇口太子路华达大厦六层622室
粤ICP备16014617号